BOSS
Product Name : BOSS
Product Description
Item Number:
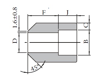
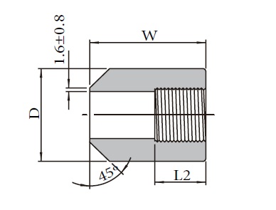
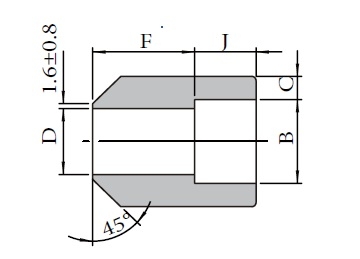
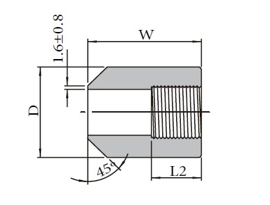
SBO (Socket Welding End) / TBO (Threaded End)
E-catalog page :
Product Character
Size: 1/8”- 4”
Connection End: Socket-Welding End / Threaded End (NPT,BSP & BSPT)
Dimension to BS3799-1974
Pressure Rating:
3000 / 6000 LBS (Socket-Welding End)
3000 / 6000 LBS (Threaded End)
Material Specification:
ASTM A105, A350 LF2
ASTM A182 (F304,F304L,F316,F316L,F304H,F316H,F317L,F321,F11,F22,F91)
Finishing:
Carbon Steel-Galvanized or Black
Stainless Steel: Pickled
Low Alloy Steel: Black
***All other information, please refers to our online E-catalogues***














