2-PC BALL VALVE, FULL PORT, JIS10K/JIS20K FLANGE END, ISO5211 MOUNTING PAD
Nombre del producto : 2-PC BALL VALVE, FULL PORT, JIS10K/JIS20K FLANGE END, ISO5211 MOUNTING PAD
Descripción del producto
Descripción del producto: 2F10K / 2F20K
CÓDIGO DE PRODUCTO: 2F10K / 2F20K
MATERIAL: CF8 / SS304, CF8M / SS316
CARA A CARA: JIS 2002
EMBRIDADO PARA: JIS B2212
Página Catálogo-E :
Característica del producto
ESTÁNDAR: ASME B16.34
PRUEBA PARA API598/SP-110
CUERPO POR FUNDICIÓN DE PRECISIÓN
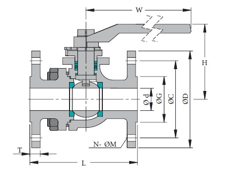
| SIZE | DN | PN | L | H | d | G | C | D | N-ψM | W | T |
|---|---|---|---|---|---|---|---|---|---|---|---|
| 1/2" | DN15 | 10K | 108 | 74 | 15 | 52 | 70 | 95 | 4-15 | 132 | 12 |
| 20K | 140 | 51 | 14 | ||||||||
| 3/4" | DN20 | 10K | 117 | 72 | 20 | 58 | 75 | 100 | 4-15 | 132 | 14 |
| 20K | 152 | 56 | 16 | ||||||||
| 1" | DN25 | 10K | 127 | 88 | 25 | 70 | 90 | 125 | 4-19 | 170 | 14 |
| 20K | 165 | 67 | 16 | ||||||||
| 1-1/4" | DN32 | 10K | 140 | 92 | 32 | 80 | 100 | 135 | 4-19 | 170 | 16 |
| 20K | 178 | 76 | 18 | ||||||||
| 1-1/2" | DN40 | 10K | 165 | 125 | 40 | 85 | 105 | 140 | 4-19 | 233.5 | 16 |
| 20K | 190 | 81 | 18 | ||||||||
| 2" | DN50 | 10K | 178 | 136 | 50 | 100 | 120 | 155 | 4-19 | 233.5 | 16 |
| 20K | 216 | 96 | 8-19 | 18 | |||||||
| 2-1/2" | DN65 | 10K | 190 | 155 | 65 | 120 | 140 | 175 | 4-19 | 233.5 | 18 |
| 20K | 241 | 116 | 8-19 | 20 | |||||||
| 3" | DN80 | 10K | 203 | 163 | 80 | 130 | 150 | 185 | 8-19 | 304 | 18 |
| 20K | 283 | 132 | 160 | 200 | 8-23 | 22 | |||||
| 4" | DN100 | 10K | 229 | 178 | 100 | 155 | 175 | 210 | 8-19 | 304 | 18 |
| 20K | 305 | 160 | 185 | 225 | 8-23 | 24 | |||||
| 5" | DN125 | 10K | 254 | 262 | 125 | 185 | 210 | 250 | 8-23 | 500 | 20 |
| 20K | 381 | 195 | 225 | 270 | 8-25 | 26 | |||||
| 6" | DN150 | 10K | 267 | 293 | 150 | 215 | 240 | 280 | 8-23 | 545 | 22 |
| 20K | 403 | 230 | 260 | 305 | 12-25 | 28 | |||||
| 8" | DN200 | 10K | 292 | 345 | 200 | 262 | 290 | 330 | 8-23 | 745 | 22 |
| 20K | 502 | 275 | 305 | 350 | 12-25 | 30 |













