2-PC BALL VALVE FULL PORT 150LBS/300LBS FLANGE END ISO5211 MOUNTING PAD
Nombre del producto : 2-PC BALL VALVE FULL PORT 150LBS/300LBS FLANGE END ISO5211 MOUNTING PAD
Descripción del producto
Descripción del producto: 2F150 / 2F300
CÓDIGO DE PRODUCTO: 2F150 / 2F300
MATERIAL: CF8 / SS304, CF8M / SS316
ISO 5211 MOUNTING PAD
CARA A CARA: ASME B16.10
EMBRIDADO PARA ANSI B16.5
Página Catálogo-E :
Característica del producto
ESTÁNDAR: ASME B16.34
PRUEBA PARA API598/SP-110
CUERPO POR FUNDICIÓN DE PRECISIÓN
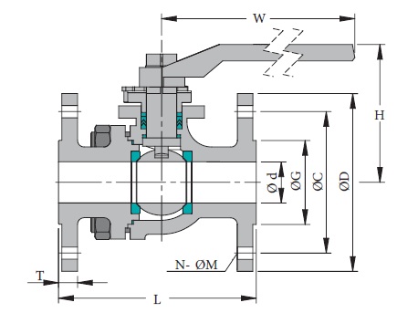
| SIZE | DN | PN | L | H | Ød | ØG | ØC | ØD | N-ØM | W | T |
|---|---|---|---|---|---|---|---|---|---|---|---|
| 1/2" | DN15 | 150LB | 108 | 74 | 15 | 35 | 60.5 | 89 | 4-16 | 132 | 12 |
| 300LB | 140 | 72 | 66.5 | 95 | 4-16 | 115 | 14.3 | ||||
| 3/4" | DN20 | 150LB | 117 | 74 | 20 | 43 | 70 | 98.5 | 4-16 | 132 | 12 |
| 300LB | 152 | 76 | 82.5 | 117 | 4-19 | 115 | 15.9 | ||||
| 1" | DN25 | 150LB | 127 | 88 | 25 | 51 | 79.5 | 108 | 4-16 | 170 | 12 |
| 300LB | 165 | 100 | 89 | 124 | 4-19 | 210 | 17.5 | ||||
| 1-1/4" | DN32 | 150LB | 140 | 92 | 32 | 64 | 89 | 117 | 4-16 | 170 | 12.7 |
| 300LB | 178 | 92 | 98.5 | 133 | 4-19 | 150 | 19.1 | ||||
| 1-1/2" | DN40 | 150LB | 165 | 125 | 40 | 73 | 98.5 | 127 | 4-16 | 233 | 14.3 |
| 300LB | 190 | 130 | 114.5 | 156 | 4-22 | 260 | 20.7 | ||||
| 2" | DN50 | 150LB | 178 | 135 | 50 | 92 | 120.5 | 152 | 4-19 | 233 | 15.9 |
| 300LB | 216 | 140 | 127 | 165 | 8-19 | 260 | 22.3 | ||||
| 2-1/2" | DN65 | 150LB | 190 | 164 | 65 | 105 | 139.5 | 178 | 4-19 | 233 | 17.5 |
| 300LB | 241 | 164 | 149 | 190 | 8-22 | 320 | 25.4 | ||||
| 3" | DN80 | 150LB | 203 | 164 | 80 | 127 | 152.5 | 190.5 | 4-19 | 304 | 19.1 |
| 300LB | 283 | 184 | 168 | 210 | 8-22 | 360 | 28.6 | ||||
| 4" | DN100 | 150LB | 229 | 177 | 100 | 157 | 190.5 | 229 | 8-19 | 304 | 23.9 |
| 300LB | 305 | 203 | 200 | 254 | 8-22 | 360 | 31.8 | ||||
| 5" | DN125 | 150LB | 356 | 263 | 125 | 186 | 216 | 254 | 8-22 | 497 | 23.9 |
| 300LB | 381 | 260 | 235 | 279 | 8-22 | 600 | 35 | ||||
| 6" | DN150 | 150LB | 394 | 293 | 150 | 216 | 241.5 | 279 | 8-22 | 545 | 25.4 |
| 300LB | 403 | 300 | 270 | 318 | 12-22 | 645 | 36.6 | ||||
| 8" | DN200 | 150LB | 457 | 345 | 200 | 270 | 298.5 | 343 | 8-22 | 745 | 28.6 |
| 300LB | 419 | 353.6 | 330 | 381 | 12-25 | 875 | 42 |













