DESCRIPCIONES DEL PRODUCTO: VÁLVULA DE BOLA 2-PC, PUERTO COMPLETO, EMBRIDADO PN16 / PN40, BASE DE MONTAJE-ISO
Nombre del producto : DESCRIPCIONES DEL PRODUCTO: VÁLVULA DE BOLA 2-PC, PUERTO COMPLETO, EMBRIDADO PN16 / PN40, BASE DE MONTAJE-ISO
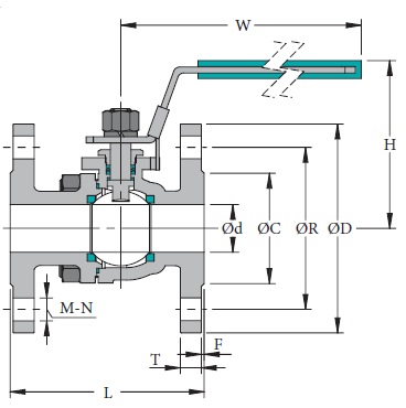
Descripción del producto
Descripción del producto: 2F4PN16 / 2F4PN40
MATERIAL: CF8 / SS304, CF8M / SS316, WCB
EMBRIDADO PARA DIN2543 / DIN 2545
CARA A CARA: DIN 3202-F4/F5
Página Catálogo-E :
Característica del producto
ESTÁNDAR: ASME B16.34
DISPONIBLE PALANCA DE BLOQUEO
PRUEBA PARA API598/SP-110
CUERPO POR FUNDICIÓN DE PRECISIÓN
| SIZE | Ød | L | H | E | C | ØR | ØD | N-ØM | T | F | ISO 5211 | ||
|---|---|---|---|---|---|---|---|---|---|---|---|---|---|
| 1/2" | DN15 | PN16 | 15 | 115 | 70 | 115 | 45 | 65 | 95 | 4-14 | 14 | 2 | F03 |
| PN40 | 16 | ||||||||||||
| 3/4" | DN20 | PN16 | 20 | 120 | 74.5 | 135 | 58 | 75 | 105 | 4-14 | 16 | 2 | F04 |
| PN40 | 18 | F03 | |||||||||||
| 1" | DN25 | PN16 | 25 | 125 | 81.5 | 135 | 68 | 85 | 115 | 4-14 | 16 | 2 | F04 |
| PN40 | 18 | ||||||||||||
| 1-1/4" | DN32 | PN16 | 32 | 130 | 95 | 150 | 78 | 100 | 140 | 4-18 | 18 | 2 | F04 |
| PN40 | |||||||||||||
| 1-1/2" | DN40 | PN16 | 38 | 140 | 100 | 184 | 88 | 110 | 150 | 4-18 | 20 | 3 | F05 |
| PN40 | 18 | ||||||||||||
| 2" | DN50 | PN16 | 50 | 150 | 120 | 215 | 102 | 125 | 165 | 4-18 | 20 | 3 | F07 |
| PN40 | F05 | ||||||||||||
| 2-1/2" | DN65 | PN16 | 65 | 170 | 130 | 265 | 122 | 145 | 185 | 4-18 | 20 | 3 | F07 |
| PN40 | 8-18 | 22 | |||||||||||
| 3" | DN80 | PN16 | 80 | 180 | 150 | 265 | 138 | 160 | 200 | 8-18 | 22 | 3 | F07 |
| PN40 | 24 | ||||||||||||
| 4" | DN100 | PN16 | 100 | 190 | 165 | 315 | 158 | 180 | 220 | 8-18 | 24 | 3 | F07 |
| PN40 | 162 | 190 | 235 | 8-22 | F09 | ||||||||
| 5" | DN125 | PN16 | 125 | 325 | 180 | 497 | 188 | 210 | 250 | 8-18 | 26 | 3 | F12 |
| PN40 | 220 | 270 | 8-26 | F09 | |||||||||
| 6" | DN150 | PN16 | 150 | 350 | 200 | 545 | 212 | 240 | 285 | 8-23 | 26 | 3 | F12 |
| PN40 | 218 | 250 | 300 | 8-26 | 28 | F09 | |||||||
| 8" | DN200 | PN16 | 200 | 400 | 230 | 745 | 268 | 295 | 340 | 12-23 | 30 | 3 | F12 |
| PN40 | 285 | 320 | 375 | 12-30 | 34 | F09 | |||||||













