2-PC BALL VALVE, FULL PORT, JIS10K/JIS20K FLANGE END, ISO5211 DIRECT MOUNTING PAD
Nombre del producto : 2-PC BALL VALVE, FULL PORT, JIS10K/JIS20K FLANGE END, ISO5211 DIRECT MOUNTING PAD
Descripción del producto
Descripción del producto:2FDM10K / 2FDM20K
CÓDIGO DE PRODUCTO: 2FDM10K / 2FDM20K
MATERIAL: CF8 / SS304, CF8M / SS316
ISO5211 DIRECT MOUNTING PAD
CARA A CARA: JIS 2002
EMBRIDADO PARA: JIS B2220
Página Catálogo-E :
Característica del producto
ESTÁNDAR: ASME B16.34
PRUEBA PARA API598/SP-110
CUERPO POR FUNDICIÓN DE PRECISIÓN
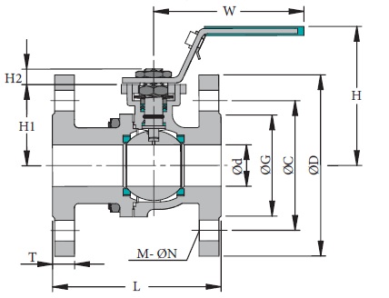
| SIZE | PN | Ød | G | ØC | ØD | L | H | H1 | H2 | T | M | N | W | E | ISO 5211 |
|---|---|---|---|---|---|---|---|---|---|---|---|---|---|---|---|
| DN15 | 10K | 15 | 51 | 70 | 95 | 108 | 79 | 48 | 48 | 12 | 4 | 15 | 120 | 9 | F03/F04 |
| 20K | 140 | 14 | 4 | 15 | |||||||||||
| DN20 | 10K | 20 | 56 | 75 | 100 | 117 | 85 | 54 | 54 | 14 | 4 | 15 | 120 | 9 | F03/F04 |
| 20K | 152 | 16 | 4 | 15 | |||||||||||
| DN25 | 10K | 25 | 67 | 90 | 125 | 127 | 93 | 59 | 59 | 14 | 4 | 19 | 137 | 11 | F04/F05 |
| 20K | 165 | 16 | 4 | 19 | |||||||||||
| DN32 | 10K | 32 | 76 | 100 | 135 | 140 | 106 | 72 | 72 | 16 | 4 | 19 | 187 | 11 | F04/F05 |
| 20K | 178 | 18 | 4 | 19 | |||||||||||
| DN40 | 10K | 40 | 81 | 105 | 140 | 165 | 112 | 80 | 80 | 16 | 4 | 19 | 187 | 14 | F05/F07 |
| 20K | 190 | 18 | 4 | 19 | |||||||||||
| DN50 | 10K | 50 | 96 | 120 | 155 | 175 | 115 | 82 | 82 | 16 | 4 | 19 | 187 | 14 | F05/F07 |
| 20K | 216 | 18 | 8 | 19 | |||||||||||
| DN65 | 10K | 65 | 116 | 140 | 175 | 190 | 175 | 102 | 102 | 18 | 4 | 19 | 315 | 17 | F07/F010 |
| 20K | 241 | 20 | 8 | 19 | |||||||||||
| SN80 | 10K | 80 | 126 | 150 | 185 | 203 | 185 | 111 | 111 | 18 | 8 | 19 | 315 | 17 | F07/F010 |
| 20K | 132 | 160 | 200 | 283 | 22 | 8 | 23 | ||||||||
| DN100 | 10K | 100 | 151 | 175 | 210 | 229 | 212 | 138 | 138 | 18 | 8 | 19 | 315 | 22 | F07/F010 |
| 20K | 160 | 185 | 225 | 305 | 24 | 8 | 23 |













