Codo 90 grados
Nombre del producto : Codo 90 grados
Descripción del producto

Nombre del producto: Codo 90 grados
Número de ítem: 2A
Clase: 150LBS
Material: SS304 / SS316
Rosca: NPT / BSP / BSPT
Página Catálogo-E :
Característica del producto
Hecho mediante Fundición por Precisión
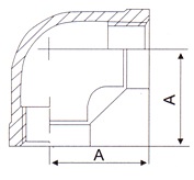
| SIZE | A(mm) |
|---|---|
| 1/8" | 16 |
| 1/4" | 18 |
| 3/8" | 21 |
| 1/2" | 25 |
| 3/4" | 30 |
| 1" | 34 |
| 1.1/4" | 40 |
| 1.1/2" | 44 |
| 2" | 53.5 |
| 2.1/2" | 64.5 |
| 3" | 74 |
| 4" | 93 |










