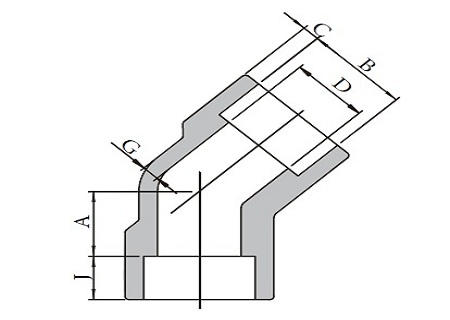
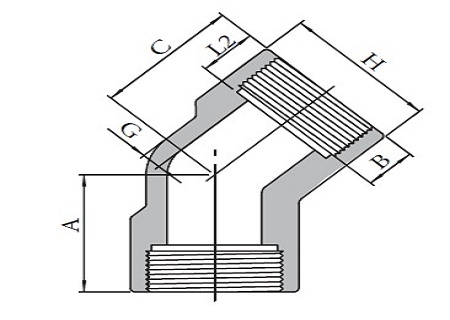
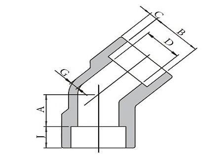
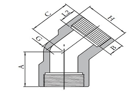
45 DEG ELBOW
Nombre del producto : 45 DEG ELBOW
Descripción del producto
Nombre del producto:
S4 (Soldadura final Socket) / T4 (Final enroscada)
Página Catálogo-E :
Característica del producto
Tamaño: 1/8”- 4”
Conexión final: Soldadura final Socket / Final enroscada (NPT,BSP & BSPT)
Dimensión a ASME B16.11-2009
Calificación de presión:
3000/6000/9000 LBS (Soldadura final Socket)
2000/3000/6000 LBS (Final enroscada)
Especificación de material:
ASTM A105, A350 LF2
ASTM A182 (F304,F304L,F316,F316L,F304H,F316H,F317L,F321,F11,F22,F91)
Acabado:
Acero al carbono-galvanizado o negro
Acero inoxidable: Decapado
Acero de baja aleación: Negro
***Cualquier otra información, favor tome referencia con nuestros catálogos-E en línea***














